COURSE DESCRIPTION
Welcome to our ASVAB Practice Questions!
The Armed Services Vocational Aptitude Battery (ASVAB) is a multiple choice test, administered by the United States Military Entrance Processing Command, used to determine qualification for enlistment in the United States Armed Forces. It is often offered to American high school students when they are in the 10th, 11th and 12th grade, though anyone eligible for enlistment may take it.
Our tests consistent of all major components required to successfully pass the ASVAB examination. Go through our ASVAB practice test to prepare yourself for the final examination.
Quiz-summary
0 of 17 questions completed
Questions:
- 1
- 2
- 3
- 4
- 5
- 6
- 7
- 8
- 9
- 10
- 11
- 12
- 13
- 14
- 15
- 16
- 17
Information
Click “Start Quiz” to begin…
You have already completed the quiz before. Hence you can not start it again.
Quiz is loading...
You must sign in or sign up to start the quiz.
You have to finish following quiz, to start this quiz:
Results
0 of 17 questions answered correctly
Your time:
Time has elapsed
You have reached 0 of 0 points, (0)
| Average score |
|
| Your score |
|
Categories
- Not categorized 0%
- 1
- 2
- 3
- 4
- 5
- 6
- 7
- 8
- 9
- 10
- 11
- 12
- 13
- 14
- 15
- 16
- 17
- Answered
- Review
-
Question 1 of 17
1. Question

What is the total resistance in the circuit above?
Correct
Incorrect
Total resistance in a circuit that has both series and parallel elements is calculated by the following equations: Total resistance = 85 ohms + 175 ohms + 1/( 1/ 150 ohms + 1/ 25 ohms) Total resistance = 260 ohms + 18.75 ohms Total resistance = 278.75 ohms
-
Question 2 of 17
2. Question

What is the total current leaving the battery?
Correct
Incorrect
The total resistance for the circuit was found in the previous problem (278.75 ohms), so this value is plugged into the equation as well as the voltage from the battery source (80 volts). I = V/ R = 80 V/ 278.75 ohms = 0.29 amps
-
Question 3 of 17
3. Question

What is the voltage lost at the 25-ohm resistor?
Correct
Incorrect
Voltage lost is expressed in amps because it is referring to a reduction in current, so Choice D, 5.4 volts, is incorrect. Voltage will be lost at the 25-ohm resistor because this resistor is in a parallel circuit, so Choice B, 0 amps, is incorrect. Again, the voltage lost can be calculated by substituting known values into iterations of Ohm’s Law. V = I × R = (0.29 amps) × (18.75 ohms) = 5.4 volts. Then, this is substituted into the following equation: I = V/ R = 5.4 V/ 25 ohms = 0.22 amps
-
Question 4 of 17
4. Question
A 150-watt waffle iron is plugged into a 200-volt circuit at a diner. The waffle maker operates for 240 minutes. If the cost of energy is $. 10 per kilowatt-hour, how much does it cost to use the waffle maker for the 240 minutes?
Correct
Incorrect
The equation to determine the cost is cost = power (in kilowatt-hours) × time (in hours) × rate (in cents per kilowatt-hour). The important step is ensuring that all values are inserted in the equation with the correct units, so some conversions need to take place. Power is given as 150 watts, which equals 0.15 kilowatt-hours (150/ 1000). The time of 240 minutes is divided by 60 minutes/ hour to yield 4 hours. Therefore: cost = (0.15 kW) × (4 hr.) × (10 cents/ kWh) = 6 cents/ 100 = $. 06 Choice A did not convert the power into kilowatt hours, but left it in watts. Choice B did not convert the time from minutes into hours. Choice C did not correctly convert the cost into dollars.
-
Question 5 of 17
5. Question
The energy from electricity results from which of the following?
Correct
Incorrect
The physical structure of the atoms that compose matter lends itself to the production of electricity. The arrangement of the subatomic particles and the associated charges— mainly the negatively charged electrons in the cloud— are associated with the ability to create an electric current, which can be harnessed to do work.
-
Question 6 of 17
6. Question
Which of the following correctly lists the subatomic particles in an atom?
Correct
Incorrect
The structure of atoms is as follows: The central nucleus contains protons and neutrons. Protons have a positive charge (+ 1), and neutrons are neutral, so they do not carry a charge. Around the nucleus is a cloud, which contains electrons in rings called orbitals. Electrons are negatively charged (– 1), and those in the outermost ring— farthest from the nucleus— tend to be easier to remove from the atom.
-
Question 7 of 17
7. Question
What property of metals lends them to be conductive materials?
Correct
Incorrect
Physical properties of atoms are influenced to some degree by the number and arrangement of electrons in the shells around the nucleus. The electrons in the outer shells in metals are free to drift between atoms. This movement potential allows them to jump between atoms, creating an electric current or flow, when subjected to an external force such as a magnetic field.
-
Question 8 of 17
8. Question

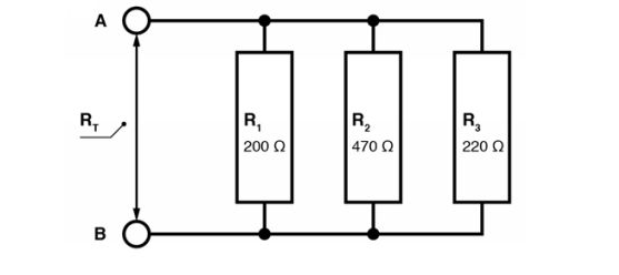
In the following circuit, what is the total resistance across the two terminals (A and B)?
Correct
Incorrect

Choice B added the resistances together as is done in a series circuit, but the given circuit is a parallel circuit. Choice C missed the final step that the resistance found is the inverse of . Choice D simply chose the lowest resistance of the given resistors, but this is not how to calculate the equivalent resistance in parallel circuits.
-
Question 9 of 17
9. Question
Which of the following statements is true?
Correct
Incorrect
Electric conductors tend to be metals, such as silver, copper, and aluminum. They “conduct” electricity, which means that they help the electric current flow easily. This is largely because metals have low resistance because the electrons are easily detached from these atoms, so they are then free to jump from atom to atom and create a current. In contrast, insulators (such as wood, plastic, or rubber) have high resistance but low conductivity. Conductivity and resistance are opposite properties; a given single material cannot be highly conductive and highly resistant at the same time.
-
Question 10 of 17
10. Question
Which of the following statements are true regarding insulators?
Correct
Incorrect
Insulators provide more resistance than conductors. As mentioned, conductors have little resistance. Insulators, such as plastic or rubber, in contrast, have high resistance. Essentially, they slow the flow of electric current much like friction deters mechanical motion.
-
Question 11 of 17
11. Question
Electric power can be measured in which of the following units?
Correct
Incorrect
The difference in potential between two separate points is a measure of volts. Amperes indicate the number of electrons that pass a specific point per second. Ohms measure the resistance to flow (essentially electrical friction). Watts are a measure of power or the rate at which electrical energy is used or converted into another type of energy. Watts are often converted to kilowatts or, when expressing power rates, kilowatt-hours.
-
Question 12 of 17
12. Question
How much energy is needed to run a 6000-watt air conditioner for 3 hours?
Correct
Incorrect
The amount of energy needed to power a certain device is expressed in kilowatt-hours. Therefore, Choices A and D are incorrect. The amount of energy needed is the product of the power in kilowatts multiplied by the time in hours. The air conditioner is 6000 watts or 6 kilowatt-hours multiplied by 3 hours is 18 kilowatt-hours. Choice C did not properly convert the power from watts into kilowatts.
-
Question 13 of 17
13. Question
Which of the following is true regarding series circuits?
Correct
Incorrect
When devices are connected in a series circuit, the voltage is the same across each device (or resistor) in the loop, but the current drops after each device. Recall that for lightbulbs connected in series, this is observed by a decrease in the brightness of each successive bulb. This is one of the disadvantages of a series circuit. In contrast, the current increases with the addition of each resistor in parallel circuits.
-
Question 14 of 17
14. Question
Which of the following statements about parallel circuits is FALSE?
Correct
Incorrect
In a parallel circuit, more charges will seek the path with least resistance. Because of this, more current passes through circuit paths with lower resistance. If the resistance is the same in both paths, then the same amount of current passes through each resistor. An important feature of parallel circuits is that the voltage is the same across each resistor; it does not drop as it does in series circuits. In series circuits, voltage drops after each resistor, and current is constant, and in parallel circuits, voltage stays the same after each resistor, and current increases. The total current can be calculated as the sum of the electric current in each branch of the parallel circuit.
-
Question 15 of 17
15. Question
Which of the following statements about circuits is NOT true?
Correct
Incorrect
Most land-based, heavy machinery use AC electricity, not DC, because large amounts of electricity can be transmitted over long distances with AC while incurring significantly less loss of power than with DC electricity. DC circuits have voltage sources that provide a constant voltage, and the wiring on most ships, airplanes, and electronic circuits uses DC electricity.
-
Question 16 of 17
16. Question
All EXCEPT which of the following statements are true regarding capacitors?
Correct
Incorrect
The coils in the electric motors of AC equipment serve as inductors (not capacitors), which are typically coils of conducting wire in which a magnetic field is created by the electric current. Examples of capacitors are ceramic, Teflon, and air because these are non-conducting materials.
-
Question 17 of 17
17. Question
If a circuit has a 9-volt battery and a 3-ohm resistor, what is the power output of the battery?
Correct
Incorrect
Electrical power is essentially the energy output over a given time. It is found by multiplying the current (in amps) from a voltage source by the voltage of that source. So, P = IV. Ohm’s Law states that the voltage equals current in the circuit multiplied by the resistance (V = IR). Therefore, the power equation can be written two different ways, by substituting known relations from Ohm’s Law:



There are no reviews yet.